LỜI CẢM ƠN NHÂN DỊP KỶ NIỆM 10 NĂM THÀNH LẬP CÔNG TY T&B VIỆT NAM
LỜI CẢM ƠN Nhân dịp Kỷ niệm 10 năm thành lập Công ty T&B Việt Nam, chúng tôi xin gửi tới Quý ...
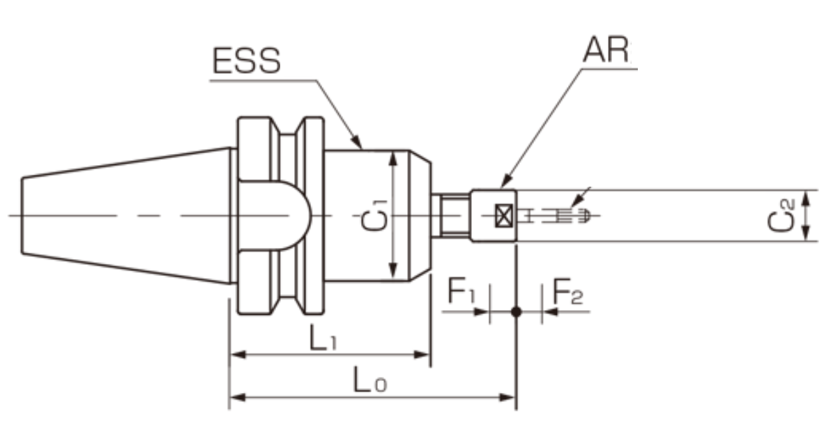
Bầu kẹp Taro Tự Lựa Micro Floating
Model : DBT-ESS
Hãng : Kato-Koki
Xuất Xứ: Nhật Bản
Thông Số :
Khả Năng Kẹp : ΦD M1- M3

| Model | L0 | L1 | C1 | C2 | F1 | F2 | Khả Năng Kẹp | Spanner | Trọng Lượng |
| [mm] | [mm] | [mm] | [mm] | [mm] | [mm] | [kg] | |||
| DBT30-ESS 103 | 65 | 47 | 30.5 | 12 | 0.5 | 0.5 | M1~M3 | SP11 | 0.55 |
| DBT40-ESS 103 | 75 | 57 | M1~M3 | 1.18 | |||||
| DBT50-ESS 103 | 137 | 117 | M1~M3 | 4.15 |


◎ Chỉ dành cho máy CNC có chức năng đồng bộ hóa
◎ Tapper nổi siêu nhỏ để khai thác đồng bộ
◎ Cũng phù hợp với vòi cacbua.
◎ Để khai thác tốc độ cao
◎ Với nguồn cung cấp chất làm mát bên trong qua tâm trục chính
(Áp suất nước làm mát lên đến 7MPa)
※ Vui lòng sử dụng vòi có lỗ dầu.
◎ Có được các cửa xả chất làm mát đi qua vòi vòi khi được sử dụng với ống kẹp AR-GH-C
Với lịch sử phát triển lâu đời từ năm 1925, Kato Koki là nhà sản xuất Dụng cụ chính xác Kato Tapper hàng đầu Nhật Bản và trên thế giới. Kato Koki với thế mạnh hàng đầu về dòng Dụng cụ chính xác Kato Tapper trong lĩnh vực gia công chính xác, và siêu chính xác như gia công khuôn mẫu, gia công chi tiết...
Tập trung phát triển các dòng sản phẩm về TOOLING SYSTEMS for Machining center and Turning mill, JIG, Measurement tools, Maintenance tools, Wire EDM Fixture and tools .
T&B Việt Nam với tư cách là Đại Lý chính thức của Kato Koki tại Việt Nam, chúng tôi luôn hướng tới cho Khách Hàng những giải pháp gia công phù hợp..
CÔNG TY TNHH THƯƠNG MẠI VÀ DỊCH VỤ KỸ THUẬT T&B VIỆT NAM
Website: https://tbvn.com.vn/
Youtube : https://www.youtube.com/channel/UCYpwsnWu6BqxoR8n--q9gVg
Fanpage : https://www.facebook.com/tbvn.com.vn/
Hot line : 0934.666.395
Email : binh@tbvn.com.vn
Địa Chỉ Văn Phòng : C14-CT2 -Tòa Bắc Hà, Phố Tố Hữu, Quận Nam Từ Liêm, Hà Nội
Giao hàng nhanh
Giao hàng nhanh từ 1 - 2 ngày
Bảo đảm chất lượng
Sản phẩm bảo đảm chất lượng.
Hỗ trợ 24/7
Hotline: 0934.666.395
Sản phẩm chính hãng
Sản phẩm nhập khẩu chính hãngLỜI CẢM ƠN Nhân dịp Kỷ niệm 10 năm thành lập Công ty T&B Việt Nam, chúng tôi xin gửi tới Quý ...
LỜI CẢM ƠN T&B Việt Nam trân trọng cảm ơn Quý Khách Hàng đã ghé thăm gian hàng tại Triển lãm ...
Một nền tảng CAD/CAM thống nhất, hỗ trợ trọn vẹn mọi công đoạn sản xuất của bạn Chế tạo khuôn và ...