TUYỂN DỤNG NHÂN VIÊN KINH DOANH PHẦN MỀM CAM
🚀 TUYỂN DỤNG NHÂN VIÊN KINH DOANH PHẦN MỀM CAM (hyperMILL®) 🚀 💡 VỀ SẢN PHẨM & CÔNG TY ...
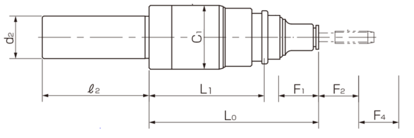
Bầu Kẹp Taro Tự Lựa SAIII
Model : STT-SA-Ⅲ
Hãng : Kato Koki
Xuất Xứ: Nhật Bản
Thông Số :
Khả Năng Kẹp : Φd M2- M75
Bản bán chạy nhất của "Kato Tapper".
Thiết bị giới hạn độ sâu trục vít tích hợp (cơ cấu kích thước).
Một máy cắt có thể được sử dụng với bất kỳ máy móc, phôi hoặc điều kiện cắt nào.
Thử thách để gia công các phôi đắt tiền như nguyên mẫu, các mặt hàng đơn lẻ và khuôn dập.
Các thông số kỹ thuật như lực lò xo và lượng giãn / co có thể thay đổi tùy thuộc vào điều kiện sử dụng.
Thiết bị mở rộng hấp thụ lỗi nguồn cấp dữ liệu và đạt được độ chính xác cao của trục vít.

| Model | L0 | L1 | C1 | F1※ | F2※ | F4※ | Chân [mm] | Khả Năp Kẹp | Weight Kg |
|
| [mm] | [mm] | [mm] | [mm] | [mm] | [mm] | l2 | d2 | |||
| STT20-SA206-Ⅲ | 103 | 71 | 33 | 5 | -3 | -7 | 60 | 20 | M 2~M 8 | 0.58 |
| STT25-SA412-Ⅲ | 127 | 83.5 | 48 | 7 | -5 | -8.5 | 75 | 25 | M 3~M16 | 1.05 |
| STT32-SA412-Ⅲ | 80 | 32 | 1.26 | |||||||
| STT32-SA1022-Ⅲ | 174 | 109 | 66 | 10 | -6 | -11 | M 8~M27 | 2.61 | ||
| STT40-SA1022-Ⅲ | 40 | 2.33 | ||||||||
| STT40-SA2035-Ⅲ | 201.5 | 116.5 | 84 | -7 | -13 | M18~M38 | 5.1 | |||


Với lịch sử phát triển lâu đời từ năm 1925, Kato Koki là nhà sản xuất Dụng cụ chính xác Kato Tapper hàng đầu Nhật Bản và trên thế giới. Kato Koki với thế mạnh hàng đầu về dòng Dụng cụ chính xác Kato Tapper trong lĩnh vực gia công chính xác, và siêu chính xác như gia công khuôn mẫu, gia công chi tiết...
Tập trung phát triển các dòng sản phẩm về TOOLING SYSTEMS for Machining center and Turning mill, JIG, Measurement tools, Maintenance tools, Wire EDM Fixture and tools .
T&B Việt Nam với tư cách là Đại Lý chính thức của Kato Koki tại Việt Nam, chúng tôi luôn hướng tới cho Khách Hàng những giải pháp gia công phù hợp..
CÔNG TY TNHH THƯƠNG MẠI VÀ DỊCH VỤ KỸ THUẬT T&B VIỆT NAM
Website: https://tbvn.com.vn/
Youtube : https://www.youtube.com/channel/UCYpwsnWu6BqxoR8n--q9gVg
Fanpage : https://www.facebook.com/tbvn.com.vn/
Hot line : 0934.666.395
Email : binh@tbvn.com.vn
Địa Chỉ Văn Phòng : C14-CT2 -Tòa Bắc Hà, Phố Tố Hữu, Quận Nam Từ Liêm, Hà Nội
Giao hàng nhanh
Giao hàng nhanh từ 1 - 2 ngày
Bảo đảm chất lượng
Sản phẩm bảo đảm chất lượng.
Hỗ trợ 24/7
Hotline: 0934.666.395
Sản phẩm chính hãng
Sản phẩm nhập khẩu chính hãng🚀 TUYỂN DỤNG NHÂN VIÊN KINH DOANH PHẦN MỀM CAM (hyperMILL®) 🚀 💡 VỀ SẢN PHẨM & CÔNG TY ...
📢 TUYỂN DỤNG PHIÊN DỊCH TIẾNG TRUNG 📢 Chúng tôi là đơn vị chuyên phân phối phần mềm gia công CN...
Dao Phay Trụ Trước Nhiệt Union Tool Model CEHS Hãng sản suất: Union Tool (Nhật Bản) M...
Gia công nhôm (Aluminum) luôn đòi hỏi sự cân bằng khắt khe giữa tốc độ cắt và chất lượng bề mặt. ...